Alennuskoodi / lahjakortti
Onko sinulla kampanja- tai alennuskoodi?
Jaa tuote
Etukuormaajan vaimenninjärjestelmä





FLDS 2002N-jakotukki on täydellinen esiasennettu alumiininen riviliiitin. Jakotukkia voi käyttää vaimennusjärjestelmänä etukuormaajille ja nostureille yhdessä kalvomallisen painevaraajan... Lue lisää
339,00 €(Sis.alv)
270,12 €(alv 0%)
- Tuotekoodi: 8719493095487
- Tuote loppunut, tiedustele toimitusaikaaVarastotuotteet lähetämme viimeistään tilausta seuraavana arkipäivänä.
Haluan saada ilmoituksen kun tuotetta on varastossa
Etukuormaajan vaimenninjärjestelmä
Anna sähköpostiosoitteesi niin lähetämme sinulle viestin kun tuotetta on taas saatavilla varastosta. Tämän jälkeen sähköpostiosoitteesi poistetaan listaltamme.
FLDS 2002N-jakotukki on täydellinen esiasennettu alumiininen riviliiitin. Jakotukkia voi käyttää vaimennusjärjestelmänä etukuormaajille ja nostureille yhdessä kalvomallisen painevaraajan kanssa. Vähentää kuljettajaan ja traktoriin kohdistuvaa kuormitusta yhdessä asennettujen painevaraajien kanssa. Mukana ei toimiteta painevaraajia, vaan ne pitää tilata erikseen.
- vähentää kuljettajan ja traktorin kuormitusta
- erinomainen kuormasta riippumaton vaimennus
- helppokäyttöinen
- helppo asentaa
- turvallinen käyttää
- yhdessä paineakkujen kanssa muodostaa täydellisen vaimennusjärjestelmän
- kaksi (FLDS2002N) tai kolme (FLDS2003N) paineakkua voidaan asentaa, ja yksi vaimentaa resonanssivärähtelyjä
- jokaisen paineakun liitos on varustettu mekaanisella sulkuventtiilillä
- vaimennusjärjestelmä voidaan kytkeä päälle tai pois päältä sähköisesti
- soveltuu etukuormaajiin ja nostureihin
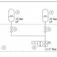
- koostuu alumiinilohkosta, kahdesta käsikäyttöisestä sulkuventtiilistä ja sähköisestä 2/2 venttiilistä
- yksitoiminen sylinteri kytketään 1/2" liitäntään
- ajoneuvo liikkeen aiheuttamat painehuiput voivat kulkeutua paineakkuihin
- tämä vaimentaa tärinää ja iskuja
- liitäntäkierteen läpimitta 1/2 in
- enimmäistyöpaine 210 bar
- tilavuus 500 cm³
- vähentää kuljettajan ja traktorin kuormitusta
- erinomainen kuormasta riippumaton vaimennus
- helppokäyttöinen
- helppo asentaa
- turvallinen käyttää
- yhdessä paineakkujen kanssa muodostaa täydellisen vaimennusjärjestelmän
- kaksi (FLDS2002N) tai kolme (FLDS2003N) paineakkua voidaan asentaa, ja yksi vaimentaa resonanssivärähtelyjä
- jokaisen paineakun liitos on varustettu mekaanisella sulkuventtiilillä
- vaimennusjärjestelmä voidaan kytkeä päälle tai pois päältä sähköisesti
- soveltuu etukuormaajiin ja nostureihin
- koostuu alumiinilohkosta, kahdesta käsikäyttöisestä sulkuventtiilistä ja sähköisestä 2/2 venttiilistä
- yksitoiminen sylinteri kytketään 1/2" liitäntään
- ajoneuvo liikkeen aiheuttamat painehuiput voivat kulkeutua paineakkuihin
- tämä vaimentaa tärinää ja iskuja
- liitäntäkierteen läpimitta 1/2 in
- enimmäistyöpaine 210 bar
- tilavuus 500 cm³
Myymälä
Saatavuus
Osoite
Yhteystiedot ja aukioloajat
Oletko ostanut tämän tuotteen?
Nouto Matkahuollosta tai Matkahuollon Pakettipisteistä
4,90 €
Pientoimituslisä 5,00 € alle 10,00 € tilauksista
Matkahuollon toimitus kotiovellesi
10,90 €
Nouto Savenmaan myymälästä
0,00 €
